Caja de cambios de velocidad variable mecánica PIV de 0.37 a 3.7 kw con relacion de variación de Velocidad de 5:1

La serie de variador de velocidad mecánico PIV es una unidad de caja y cambiador de velocidad continua del tipo de correa. Estos Modeloo es una unidad de accionamiento por correa intermedia de velocidad de cambio que se puede montar entre la máquina o el motor y la máquina. Mediante la selección de la velocidad de entrada, se puede lograr el rango de velocidad óptima de la máquina. Este cambiador de velocidad continua está preparado para ajustarse al módulo.
Nota:
- Cambie la velocidad unicamente durante el funcionamiento.
- La velocidad de entrada – No debe exceder las 1500 RPM
Cómo calcular el rango de velocidad de salida?
Velocidad de Entrada x 2.2 = Velocidad Max.
Velocidad de Entrada ÷ 2.2 = Velocidad Min.
Por ejemplo - Si la velocidad de entrada es de 100 RPM
Rango de velocidad de salida será -
Velocidad Max. = 100 x 2,2 = 220 RPM
Velocidad Min. = 100 ÷ 2.2 = 45 RPM
Por lo tanto, el rango de velocidad continua es de 220 a 45 RPM.

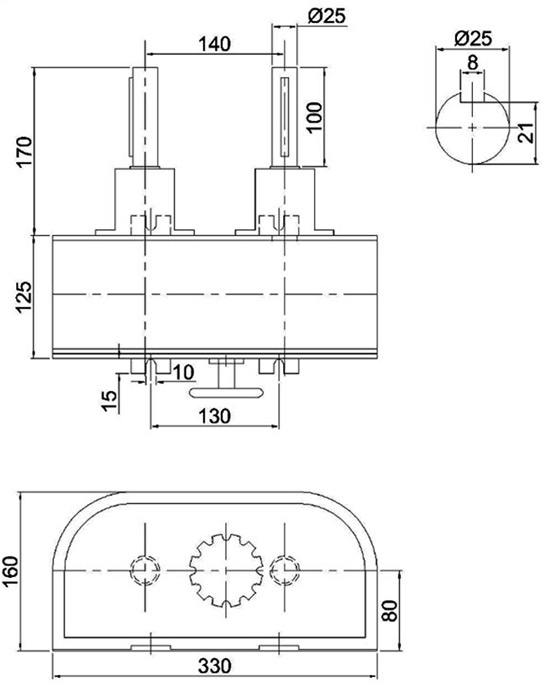
Modeloo - SVS 80140
Potencia nominal 0,75 a 1,5 Kw
Velocidad máxima de entrada - no superior a 1500 RPM
Par máximo de entrada = 10 Nm


Modeloo - SVS 95170
Potencia 2.2 a 3.7 Kw
Velocidad máxima de entrada - no superior a 1500 RPM
Par máximo de entrada = 25 Nm

Precaución - Cambiar la velocidad unicamente mientras esta en funcionamiento.
La especificaciones estan sujetas a cambio sin previo aviso
Fabricantes y Exportadores de Unidades Mecanicas de Poleas de velocidad variable,Unidades de Correa de velocidad variable continua, Correas de velocidad variable, Unidad de velocidad Variable para areas antideflagrantes y explosivas. También diseñamos y fabricamos unidades personalizadas y poleas construidas según las necesidades del cliente.
© Copyrights, Deepak Drives Pvt. Ltd.
Designed by Webz Solutions®

























